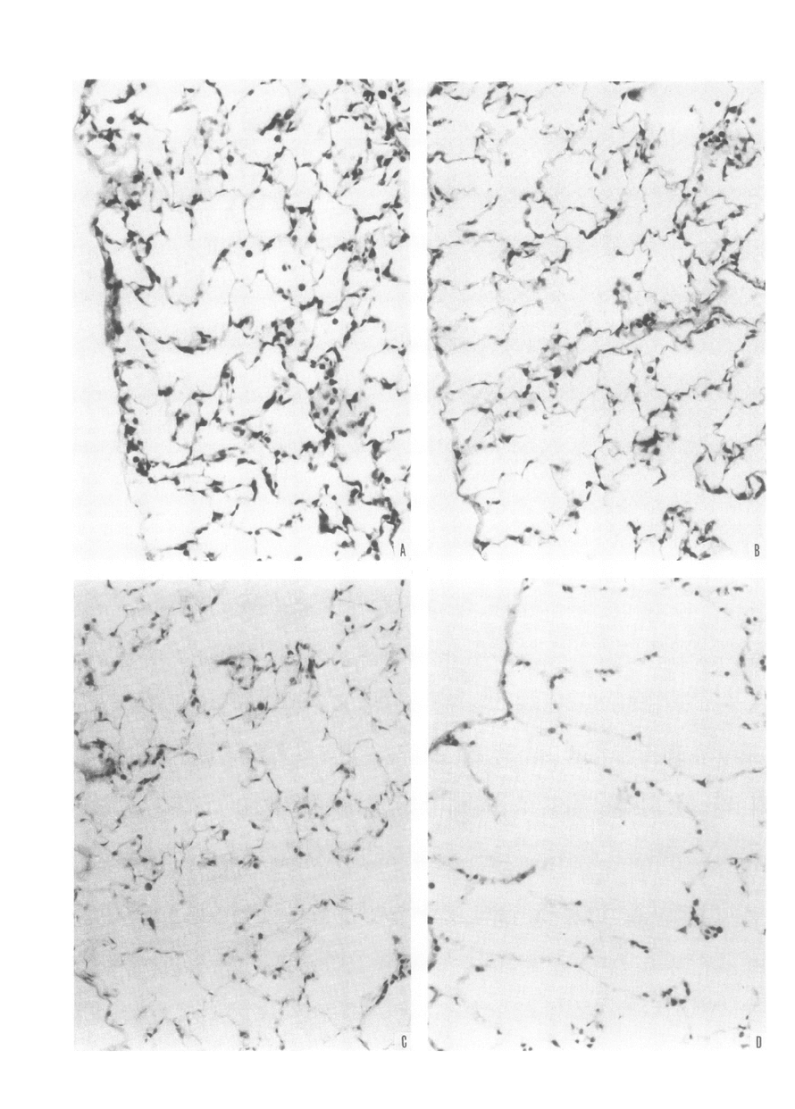
The purpose of this study was to determine if human platelet factor 4 (PF4) stimulates human leukocyte elastase (HLE) against lung elastin. Lung elastin was purified from hamster lungs and tritiated by reduction with NaB3H4. We found that HLE activity against this substrate is increased by concentrations of PF4 as low as 1.6 microgram/ml, and that this stimulation increased linearly with additional PF4. Lungs removed from hamsters and inflated with solutions containing buffer alone, low dose HLE, HLE plus PF4, or PF4 alone were incubated for 2 h at 37 degrees C. Whereas low-dose HLE failed to lower lung elastin when compared to control animals, HLE stimulated by PF4 lowered lung elastin by 20%. PF4 alone had no effect. Furthermore, low-dose HLE failed to alter the mechanical properties of hamster lungs as measured by pressure-volume curves in saline, although there was a significant loss of lung elasticity in the mid- and high-lung volume ranges in lungs treated with HLE and PF4. Morphologic studies revealed that low dose HLE resulted in a minimal emphysemalike lesion whereas HlE plus PF4 caused a significantly more severe lesion. PF4 is capable of stimulating HLE against lung elastin, and this effect may have a role in the pathogenesis of emphysema.
S A Lonky, H Wohl
| 817 | 818 | 819 | 820 | 821 | 822 | 823 | 824 | 825 | 826 |
